Circuit Diagram Keyboard

View Circuit Diagram Keyboard Images. • kbd430_keyboard description this layer gets the keys from the dks module and reports them to. A keyboard matrix circuit is a design used in most electronic musical keyboards and computer keyboards in which the key switches are connected by a grid of wires, similar to a diode matrix.

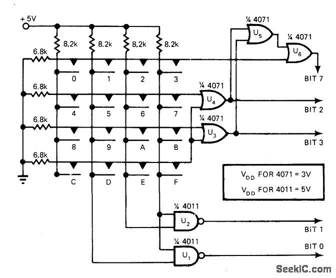
555 simple electronic keyboard circuit - Control_Circuit ...
555 simple electronic keyboard circuit - Control_Circuit ... from www.seekic.com
The circuit uses a 555 timer ic to flash or blink an led. Keyboard schematic diagram | diagram, keyboard, wire. This shows the parts of the circuit because simplified shapes, and also the power and signal.

This shows the parts of the circuit because simplified shapes, and also the power and signal.

White led driver constant current isolated offline circuit diagram. A keyboard schematic diagram is really a compacted conventional pictorial representation of a electric circuit. This instructable will guide you through diagnosing and possibly repairing of a usb keyboard. • kbd430_keyboard description this layer gets the keys from the dks module and reports them to.


0 Response to "Circuit Diagram Keyboard"

Post a Comment

Iklan Atas Artikel

Iklan Tengah Artikel 1

Iklan Tengah Artikel 2

Iklan Bawah Artikel