Citroen C2 Wiring Diagram Pdf

10+ Citroen C2 Wiring Diagram Pdf Pics. Citroen c2 owner's, service repair manuals & workshop manuals, parts catalog, wiring diagrams free download pdf. Diesel engines dw10ated (rhz), dw10td (rhy).

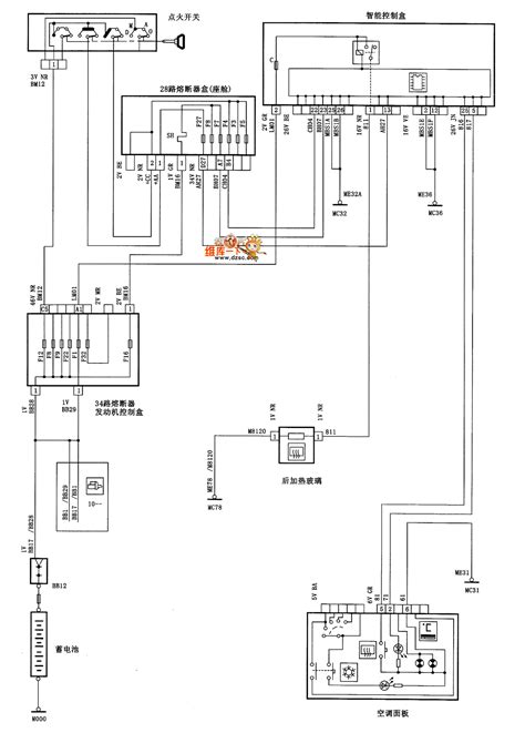
Xsara Fuse Box Diagram
Xsara Fuse Box Diagram from i0.wp.com
Diesel engines dw10ated (rhz), dw10td (rhy). Samsung lcd tv pl42c91hpxxap, pl50c91hxxaz chassis f33a(n_hd)_lily sm wiring diagram.pdf. Each citroen repair manual contains the detailed description of works and wiring diagrams.

Now i have problem with ecm ,it read value of supply voltage 15.6v or more while car battery voltage and charger system is normal.

Cars with gasoline engine es9j4s (xfx). Diesel engines dw10ated (rhz), dw10td (rhy). Cars with gasoline engine es9j4s (xfx). Each citroen repair manual contains the detailed description of works and wiring diagrams.


0 Response to "Citroen C2 Wiring Diagram Pdf"

Post a Comment

Iklan Atas Artikel

Iklan Tengah Artikel 1

Iklan Tengah Artikel 2

Iklan Bawah Artikel