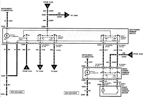
1996 Ford F 150 Chassis Wiring Diagram

Download 1996 Ford F 150 Chassis Wiring Diagram
Background
. The wiring diagrams look clear, but i am not good at reading wiring diagrams so i can't say how good they are. My truck was stolen (and wrecked) and the ignition switch was broken out in the process.

F150 4R70W Transmission Wiring Diagram - Wiring Forums
F150 4R70W Transmission Wiring Diagram - Wiring Forums from wiringforums.com
What remote start are you putting in? Most online auto part stores will have a downloadable wiring diagram for your 1996 automobile. Please select your desired model below.

The ford f150 has enjoyed a long production run, and our guide is as comprehensive as it gets.

My truck was stolen (and wrecked) and the ignition switch was broken out in the process. Please select your desired model below. We have the following 1996 ford f150 manuals available for free pdf download. Designed specifically for your vehicle, this product is individually tested to confirm similar to the original equipment functional capabilities prior to leaving the.


0 Response to "1996 Ford F 150 Chassis Wiring Diagram"

Post a Comment

Iklan Atas Artikel

Iklan Tengah Artikel 1

Iklan Tengah Artikel 2

Iklan Bawah Artikel