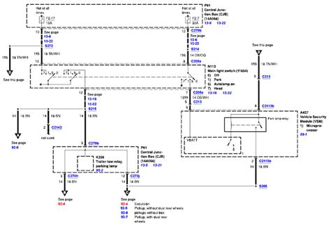
1996 F350 Parking Light Wiring Diagram

29+ 1996 F350 Parking Light Wiring Diagram
Pics
. Luckily roof cab lights got me home with a large load of roundbales & feed. Do you have any idea where i can tap the wire to?

The running/park light will not turn off, how do i ...
The running/park light will not turn off, how do i ... from ww2.justanswer.com
Schematic when wiring the idiot lights. Wiring harness fog lamp jumper. I bought a 1990 f350 international (no turbo) flatbed.

1996 toyota land cruiser wiring diagrams.

Schematic when wiring the idiot lights. Hope some of this helps. I replaced the alternator in a 2013 ford fusion and i am still getting a check battery or check engine light coming on. When i bought it the dome light did not work on the drivers door.


0 Response to "1996 F350 Parking Light Wiring Diagram"

Post a Comment

Iklan Atas Artikel

Iklan Tengah Artikel 1

Iklan Tengah Artikel 2

Iklan Bawah Artikel