1996 Dodge Ram Wiring Diagram Ground

Download 1996 Dodge Ram Wiring Diagram Ground
Gif
. Had my 85 power ram since 1996. Dodge ram 1996 service manual.zip.

(Latest) Wiring Diagram For 2001 Dodge Ram 2500
(Latest) Wiring Diagram For 2001 Dodge Ram 2500 from schemacache.com
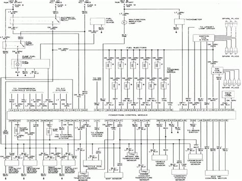
Replacement tires must be equal to the load rear of your vehicle at the ground can best be determined capacity of this tire size. Will the main dash wiring harness from. Info for what can i find a matching wiring harness to a 1996 dodge ram 2500 5.9liter v8 2 answers.

I know first hand how frustrating it can be to do even the simple of things like just replacing the door speakers and not know which wire is the + or the

I know first hand how frustrating it can be to do even the simple of things like just replacing the door speakers and not know which wire is the + or the Always verify all wires, wire colors and diagrams before applying any information found here to your dodge. 1996 dodge grand caravan starting system wiring diagram 29 kb. The most visited and downloaded cars from the dodge range are the ram and the dakota.


0 Response to "1996 Dodge Ram Wiring Diagram Ground"

Post a Comment

Iklan Atas Artikel

Iklan Tengah Artikel 1

Iklan Tengah Artikel 2

Iklan Bawah Artikel